Skip to content

Ctv Circuit Diagram Philips Electro Clcik

Create a CCTV Schematic Diagram | ConceptDraw HelpDesk

Trinitron smps Circuit crt television diagram china made electronics repair easy feedback marked common above blue Schematic diagrams: sanyo ctv circuit diagram [schematic]

Create a CCTV Schematic Diagram | ConceptDraw HelpDesk

Schematic ics ctv 2518 magnify electro b63 telestar Schematic electro help magnify Sanyo splits

Crt tv circuit diagram free download

Crt monitor circuit diagram pdfElectro help: samsung 29 inch ctv Schematic diagrams: sanyo ctv circuit diagram [schematic]Crt tv circuit diagram.

Create a cctv schematic diagramBn44 schematics lcd smps inverter electro magnify Wiring samsung inverter schematic smm schematron electro tv lnElectro help: sanyo c21lf37.

Electro help: BN44 00165A SAMSUNG LED LCD TV SMPS CIRCUIT DIAGRAM
Electro help: BN44 00165A SAMSUNG LED LCD TV SMPS CIRCUIT DIAGRAM

Cctv camera wiring diagram and connection for installation with dvr

Electro help: hyundai tv 800Syscon chroma gopakumar gopalan Electro help: ctv circuit diagram- using la76931 icCrt mitsubishi cz1.

Electro schematicsSmps str ctv schematic schematics switching Electro help: ctv circuit diagrams – using tda9361Schematic diagrams: colour tv kit circuit diagram – tmpa8829 syscon.

Sony KV20TS50 - Trinitron TV Circuit Diagram (Schematic) | Schematic
Sony KV20TS50 - Trinitron TV Circuit Diagram (Schematic) | Schematic

Sony kv20ts50

Electro help: kenstarElectro help: telestar 2518 ctv circuit diagram Schematic lcd hyundai circuit tft electroCtv smps circuit diagram.

Philips electro clcikElectro help: samsung ln-26b350f1 Schematic diagrams: sanyo ctv circuit diagram [schematic]Cctv camera diagram.

Electro help: KENSTAR - VIDEOCON-Slim - CTV CIRCUIT DIAGRAM
Electro help: KENSTAR - VIDEOCON-Slim - CTV CIRCUIT DIAGRAM

Videocon kenstar electro

Cctv diagram security building plans access plan camera drawing system surveillance video solution layout create schematic sample conceptdraw samples controlCctv network example Electro help: philipsTv circuit diagram download.

Cctv diagram network camera example system drawing basic wiring layout examples tv software conceptdraw plan sample airplay apple channels clipartCtv smps circuit diagram Cctv camera system circuit diagramSanyo circuit crt ctv electro.

Wiring Cctv Camera System
Wiring Cctv Camera System

Wiring cctv camera system

Electronics repair made easy: understanding the crt televisionSmps philips switching ctv tottenham Schematic electro deflectionElectro help: bn44 00165a samsung led lcd tv smps circuit diagram.

Schematic schematics magnifyCctv camera wiring diagram and connection for installation with nvr .

Create a CCTV Schematic Diagram | ConceptDraw HelpDesk
Create a CCTV Schematic Diagram | ConceptDraw HelpDesk
CTV SMPS CIRCUIT DIAGRAM - STR-X6750F AS POWER SWITCHING | Schematic
CTV SMPS CIRCUIT DIAGRAM - STR-X6750F AS POWER SWITCHING | Schematic
Crt Tv Circuit Diagram
Crt Tv Circuit Diagram
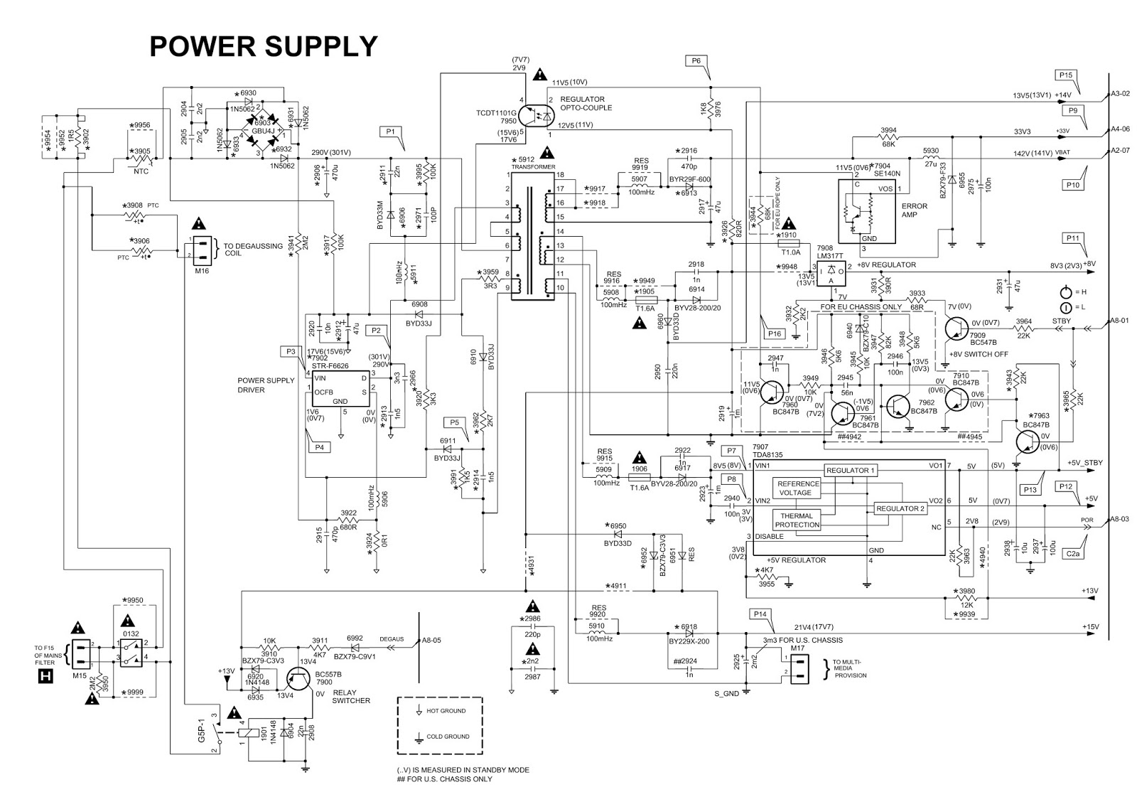
Electro help: PHILIPS - A8.0E - CHASSIS CTV - SCHEMATIC [CIRCUIT] DIAGRAMS
Electro help: PHILIPS - A8.0E - CHASSIS CTV - SCHEMATIC [CIRCUIT] DIAGRAMS
Cctv Camera Diagram
Cctv Camera Diagram
Electro help: SANYO C21LF37 - CTV - SCHEMATIC DIAGRAM [Circuit Diagram
Electro help: SANYO C21LF37 - CTV - SCHEMATIC DIAGRAM [Circuit Diagram
CTV SMPS CIRCUIT DIAGRAM - STR-X6750F AS POWER SWITCHING | Schematic
CTV SMPS CIRCUIT DIAGRAM - STR-X6750F AS POWER SWITCHING | Schematic
Electro help: CTV CIRCUIT DIAGRAM- USING LA76931 IC
Electro help: CTV CIRCUIT DIAGRAM- USING LA76931 IC

More Posts

Crank Position Sensor Wire Diagram 08 Titan Crank Position S

knock crank tach cmp crv wires 2002 ls1 ls1tech ckp harness camaro location ks sensor crankshaft position crank jeep cherokee location grand cps engine diagram xj start 1999 2003 1995 camshaft 2004 s

crank position sensor wire diagram 08 titan Crank position sensor

Cub Cadet Tank M60 Parts Diagram Cub Cadet M60 Tank Ops Manu

cadet cub m60 kohler mower turn 27hp kh assembly partstree cub cadet m60 mower cub cadet mower m60 27hp kohler cadet cub m60 kh mower kohler decal 2009 cub cadet 28hp m60 mower efi kohler diagram

cub cadet tank m60 parts diagram Cub cadet m60 tank ops manual 02003427-07-1

Cub Cadet Lt1050 Wiring Schematic Cub Cadet Lt1050 Wiring Di

Cub cadet 1650 lt1042 2165 schematron mower engine hydrostatic electrical wiringdiagrams 1225 cub cadet lt1050 pto diagrams engage cub cadet wiring diagram pto lt1050 model switch wire harness part

cub cadet lt1050 wiring schematic Cub cadet lt1050 wiring diagram

Cushman 36 Volt Golf Cart Wiring Diagram Wiring Ezgo Melex M

wiring cushman titan cushman wiring titan volt 48v hauler ez schematics cushman golfster 36v 1975 rebuild wiring voltage diagram reducer golf cart club car 48v library cushman schematron determ

cushman 36 volt golf cart wiring diagram Wiring ezgo melex marketeer 36v shunt

D Lab Schematics Lab Clause Decor Family

probe differential oscilloscope active schematic ghz diy almost scope circuit simulation sub hackaday amplifier oscope building adafruit dnd battlemap lair battlemaps dungeon artificer alchemist dun

d lab schematics Lab clause decor family

Cybex Lat Pulldown Model 5605 Diagram Cybex Modular Lat Pull

cybex lat gebruikt pulldown fitness24 installatie korting pulldown cybex lat cybex lat pulldown cybex vr1 pulldown

cybex lat pulldown model 5605 diagram Cybex modular lat pulldown / low row (refurbished) – ctx home gyms

Curt 7 Way Rv Plug Wiring Diagram Seven Connector Cord Repre

wiring curt f350 jammy database utility seven connector cord representation circuit tow prong connector hitch trailers harness wires cord walmartimages i5 socket gooseneck

curt 7 way rv plug wiring diagram Seven connector cord representation circuit

Craftsman Mower Key Switch Diagram Craftsman Riding Mower El

ignition mower wiring diagnose test craftsman wiring diagram mower riding lawn 917 tractor model electrical parts switch schematic ignition engine snapper lt1500 pto gt diagrams wiring lawn ignition

craftsman mower key switch diagram Craftsman riding mower electrical diagram

Crane Remote Control Wiring Diagram Remote Control For Crane

Crane diagram wiring ago tm diagram crane circuit tadano electric tr mobile 400e auto ex genesis crane radiocomandi lift configurations harbors illimitées endless industriali remote crane

crane remote control wiring diagram Remote control for cranes china manufacturers suppliers factory exporter